- À vista Total:
- 2x Total:
- 3x Total:
- 4x Total:
- 5x Total:
- 6x Total:
- 7x Total:
- 8x Total:
- 9x Total:
- 10x Total:
- 11x Total:
- 12x Total:
Descrição
O Manual de Serviço Valtra BH Geração 4 e BH HiTech é a documentação técnica oficial com 1.287 páginas em PDF, idioma Português, desenvolvida para mecânicos, técnicos agrícolas e oficinas especializadas na manutenção dos tratores Valtra BH144, BH154, BH174, BH194, BH214, BH224 e das versões BH144 HiTech, BH154 HiTech, BH174 HiTech, BH184 HiTech e BH194 HiTech. Apresenta todos os procedimentos de desmontagem, montagem, diagnóstico, regulagem e especificações de torque exigidos para intervenções com padrão de fábrica.
Especificações do Manual
Modelos atendidos: BH144, BH154, BH174, BH194, BH214, BH224, BH144 HiTech, BH154 HiTech, BH174 HiTech, BH184 HiTech, BH194 HiTech
Tração: CARRARO 20.43
Páginas: 1.287
Formato: PDF
Idioma: Português
Tamanho: 286 MB
Sistemas abordados no manual
O manual cobre a manutenção completa do trator, organizado nos seguintes capítulos: Introdução, Separação do Trator, Motor, Caixa de Câmbio, Eixo Traseiro, Eixo Dianteiro, Tomada de Potência, Hidráulica, Elétrica, Cabine e Índice Remissivo.
Motor — Bloco, Cabeçote e Sensores
O capítulo do motor traz procedimentos detalhados de manutenção do bloco de cilindros, incluindo medição de desgaste da camisa de cilindros com micrômetro, remoção das camisas com o puxador especial V905173100 e verificação completa do bloco. As instruções orientam a medição transversal na extremidade superior, inferior e no meio da camisa para identificar ovalidade ou desgaste excessivo.
Na seção do cabeçote, o manual especifica a altura mínima do cabeçote após retífica em 109,50 mm, a profundidade do disco da válvula (0,60 mm para válvulas de escape e 0,80 mm para admissão) e os limites de folga entre a haste da válvula e a guia: no máximo 0,30 mm para válvulas de admissão e 0,35 mm para válvulas de escape. Inclui ainda a limpeza da sede do injetor com o cortador V912085400.
O manual apresenta os diagramas completos do conector do motor AGCO Power (CV54 Tier 3 IEGR), identificando os pinos de cada sensor: temperatura do líquido de arrefecimento, temperatura do combustível, pressão e temperatura do turbo (Boost Pres./Temp.), pressão do filtro e do pré-filtro, pressão do óleo, pressão do rail, rotação do virabrequim (Crank Speed), rotação do comando de válvulas (Cam Speed) e atuadores MPROP e solenoides de injeção.
Caixa de Câmbio — Diferencial
O capítulo da caixa de câmbio detalha a remoção e instalação do diferencial, com uso da ferramenta especial ETV893400 para instalar rolamentos e pistas. Os procedimentos incluem a sequência correta para posicionar a caixa do diferencial no alojamento pelo lado direito, instalar as tampas e pistas dos rolamentos respeitando as marcações feitas durante a desmontagem.
Eixo Dianteiro — Montagem e Torques
No eixo dianteiro, o manual apresenta os procedimentos completos para montagem da barra de direção, instalação dos pivôs com graxa multiuso EP-2 e fixação dos parafusos dos pivôs com torque de 190 Nm. Especifica o aperto das porcas de travas das barras em 250 Nm, a porca do terminal externo da barra de direção em 220 Nm e o bujão de enchimento de óleo do diferencial dianteiro em 60 Nm, com capacidade de 6,5 litros de óleo SAE 90 API GL5.
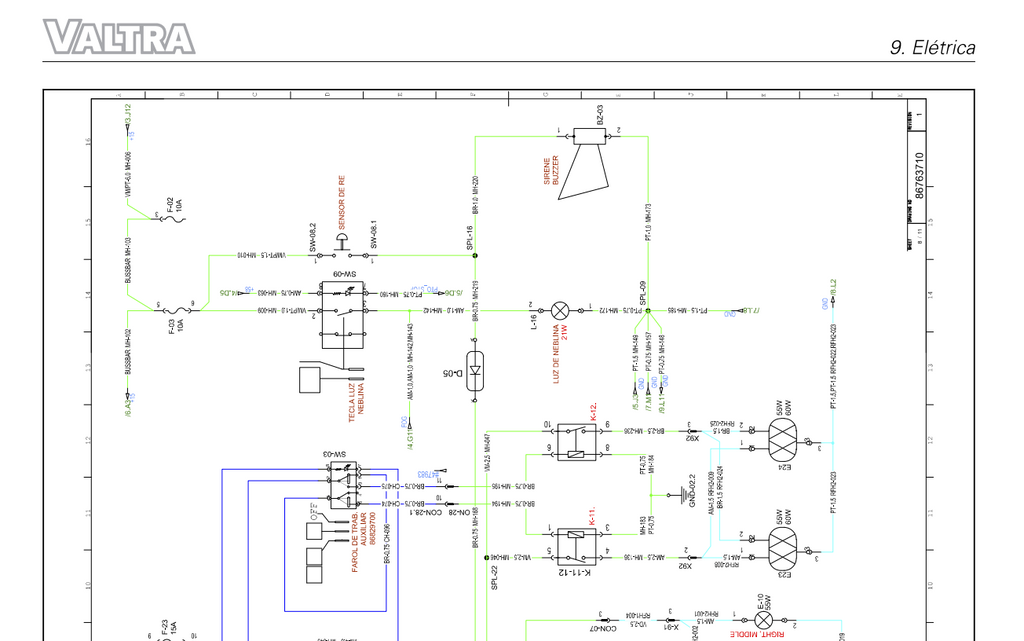
Sistema Elétrico — Diagramas Completos
O capítulo de elétrica reúne todos os diagramas elétricos do trator, incluindo circuitos de iluminação com faróis de trabalho e luzes de neblina, sistema da sirene/buzzer de ré, relés, fusíveis e emendas (splices). Os esquemas identificam cada componente com códigos de referência, bitolas de fios, cores e conectores, permitindo rastreamento completo de circuitos para diagnóstico de falhas elétricas.
Conteúdo incluído neste manual
- Procedimentos de desmontagem e montagem com sequências ilustradas passo a passo para cada sistema do trator.
- Valores de torque específicos para parafusos, porcas, conexões hidráulicas e pontos estruturais em todos os capítulos.
- Diagramas elétricos completos com identificação de fios, conectores, relés, fusíveis e sensores.
- Diagramas do conector do motor AGCO Power com pinagem de todos os sensores e atuadores.
- Especificações de medição e tolerâncias para cabeçote, válvulas, camisas de cilindros e componentes internos do motor.
- Ferramentas especiais necessárias com seus códigos de referência Valtra.
- Procedimentos de verificação e diagnóstico para localização de falhas em cada sistema.
- Instruções para abastecimento e especificações de fluidos e lubrificantes.
Perguntas Frequentes
Este manual atende tanto a linha BH G4 quanto a BH HiTech?
Sim. O manual cobre oficialmente os modelos BH144, BH154, BH174, BH194, BH214 e BH224 da Geração 4 e os modelos BH144, BH154, BH174, BH184 e BH194 da linha HiTech.
O manual traz diagramas elétricos?
Sim. Inclui diagramas elétricos completos do trator e também os diagramas de pinagem do conector da ECU do motor AGCO Power, com identificação de cada sensor e atuador.
Tem valores de torque e especificações de medição?
Sim. Todos os capítulos apresentam os valores de torque para cada fixação e as tolerâncias dimensionais dos componentes internos, como folgas de válvulas, altura do cabeçote e desgaste de camisas.
Serve para manutenção preventiva e corretiva?
Sim. O manual contempla desde inspeções preventivas e ajustes de rotina até procedimentos completos de reparação e recondicionamento de motor, câmbio, eixos e demais sistemas.
Posso confiar nas informações técnicas?
Sim. É a documentação oficial Valtra com especificações de fábrica, a mesma utilizada pelas concessionárias autorizadas.
Veja também outros materiais técnicos para a linha Valtra BH:
- Manual do Operador Valtra BH HiTech
- Manual do Operador Valtra BH G4
- Catálogo de Peças Valtra BH 144 HiTech
- Catálogo de Peças Valtra BH 144 GIV Tier 3
- Catálogo de Peças Valtra BH 154 HiTech
- Catálogo de Peças Valtra BH 154 GIV Tier 3
- Catálogo de Peças Valtra BH 174 GIV Tier 3
- Catálogo de Peças Valtra BH 194 HiTech
- Catálogo de Peças Valtra BH 194 GIV Tier 3
- Catálogo de Peças Valtra BH 224 HiTech
- Catálogo de Peças Valtra BH 224 GIV Tier 3
Dúvidas? Fale conosco!
📱 (62) 99846-7503 | ✉️ contato@catalogoeservico.com.br
Cliente Verificado: "Me chamaram no Whatsapp, recebi o material rapidamente, tudo certinho, recomendo, muito eficiente!"
Perguntas Frequentes
Como recebo meu catálogo digital após a compra?
O arquivo em PDF é enviado diretamente para seu e-mail ou WhatsApp em poucos minutos após a confirmação do pagamento.
Posso acessar o catálogo em diferentes dispositivos?
Sim, os arquivos PDF são compatíveis com computadores, smartphones e tablets, podendo ser acessados de qualquer lugar.
O catálogo é atualizado com novas versões?
Sim, enviamos atualizações sempre que houver revisões ou novas edições disponíveis para garantir que você tenha a versão mais recente.
Quais são as formas de pagamento aceitas?
Aceitamos Mercado Pago, cartões de crédito, boleto, PIX e outras opções seguras para facilitar sua compra.
Posso solicitar suporte se tiver dúvidas ou problemas?
Claro! Nosso suporte está disponível via WhatsApp e e-mail para ajudá-lo antes e após a compra, garantindo sua satisfação.
Entrega Digital Imediata
Este produto é um arquivo digital em formato PDF.
O envio é realizado automaticamente após a confirmação do pagamento,
diretamente no e-mail e WhatsApp do cliente.
💡 Não há custos adicionais de envio.
Receba seu material em poucos minutos, com segurança e praticidade.
