- À vista Total:
- 2x Total:
- 3x Total:
- 4x Total:
- 5x Total:
- 6x Total:
- 7x Total:
- 8x Total:
- 9x Total:
- 10x Total:
- 11x Total:
- 12x Total:
Descrição
Manual John Deere 310L (Elétrico e Hidráulico) – Retroescavadeira em PDF. Obtenha informações completas para diagnóstico, manutenção e reparo dos sistemas elétricos e hidráulicos da retroescavadeira John Deere 310L. Este manual técnico é indispensável para oficinas, mecânicos e profissionais que desejam garantir o máximo desempenho e confiabilidade do equipamento.
📘 Manual John Deere 310L – Sistema Elétrico e Hidráulico
Formato: PDF
Idioma: Inglês
Páginas: 778
✅ O que você encontra neste manual?
- ✔️ Diagnóstico completo: Testes e soluções para problemas elétricos e hidráulicos.
- ✔️ Manutenção e reparo: Instruções detalhadas para desmontagem, montagem e ajustes.
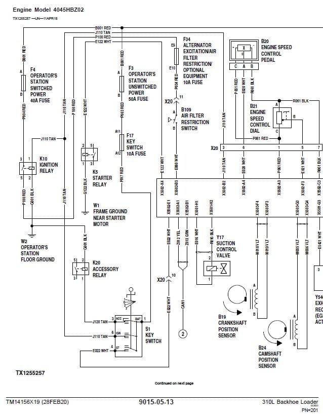
- ✔️ Diagramas elétricos e hidráulicos: Layouts claros para compreensão dos sistemas.
- ✔️ Procedimentos técnicos precisos: Passo a passo para garantir manutenção eficiente e segura.
- ✔️ Ideal para técnicos, mecânicos, oficinas e operadores da retroescavadeira John Deere 310L.
🛠️ Conteúdos do manual:
- 🔧 Sistemas elétricos completos, circuitos e diagramas.
- ⚙️ Sistemas hidráulicos, diagnóstico de pressão e vazão.
- 📑 Soluções de problemas, códigos de erro e procedimentos de teste.
- 🗺️ Esquemas técnicos e layouts de montagem e desmontagem.
🎯 Benefícios do manual:
- ✔️ Aumente a vida útil do equipamento.
- ✔️ Reduza custos com manutenções corretivas desnecessárias.
- ✔️ Execute diagnósticos precisos e reparos eficientes.
- ✔️ Tenha acesso imediato a informações essenciais para o dia a dia na oficina.
🚚 Detalhes do envio:
- 💻 Envio digital por e-mail ou WhatsApp.
- ⏳ Entrega rápida: normalmente em minutos, no máximo até o mesmo dia.
- 📥 Arquivo em PDF acessível em celular, computador ou tablet.
💳 Formas de pagamento:
- ✔️ Mercado Pago (Cartão de crédito, débito, PIX e boleto).
- 🔐 Compra 100% segura: Caso não receba como descrito, você pode solicitar reembolso total pelo Mercado Pago.
📞 Suporte e atendimento:
- WhatsApp: (62) 99846-7503 (Leandro)
- E-mail: contato@catalogoeservico.com.br
- ✔️ Suporte rápido e eficiente antes e após a compra.
🏆 Manual Técnico é na Catálogo & Serviço!
Aqui você encontra os melhores manuais técnicos e catálogos de peças para retroescavadeiras, tratores e máquinas John Deere.
Além
Cliente Verificado: "Me chamaram no Whatsapp, recebi o material rapidamente, tudo certinho, recomendo, muito eficiente!"
Perguntas Frequentes
Como recebo meu catálogo digital após a compra?
O arquivo em PDF é enviado diretamente para seu e-mail ou WhatsApp em poucos minutos após a confirmação do pagamento.
Posso acessar o catálogo em diferentes dispositivos?
Sim, os arquivos PDF são compatíveis com computadores, smartphones e tablets, podendo ser acessados de qualquer lugar.
O catálogo é atualizado com novas versões?
Sim, enviamos atualizações sempre que houver revisões ou novas edições disponíveis para garantir que você tenha a versão mais recente.
Quais são as formas de pagamento aceitas?
Aceitamos Mercado Pago, cartões de crédito, boleto, PIX e outras opções seguras para facilitar sua compra.
Posso solicitar suporte se tiver dúvidas ou problemas?
Claro! Nosso suporte está disponível via WhatsApp e e-mail para ajudá-lo antes e após a compra, garantindo sua satisfação.
Entrega Digital Imediata
Este produto é um arquivo digital em formato PDF.
O envio é realizado automaticamente após a confirmação do pagamento,
diretamente no e-mail e WhatsApp do cliente.
💡 Não há custos adicionais de envio.
Receba seu material em poucos minutos, com segurança e praticidade.
